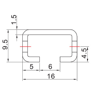
| 型号 | 芯体长度 | 芯体高度 | 扁管厚度 | 翅片片距 | 翅片高度 | 集流管外径 |
| SC-1400 | 780[mm] | 769.7[mm] | 16[mm] | 1.1[mm] | 8.1[mm] | 20[mm] |
| 30.7[in] | 30.3[in] | 0.63[in] | 23[FPI] | 0.32[in] | 0.79[in] |
| 型号 | 扁管高度 | 扁管数量 | 回路 | 内部容积 | 进口内径 | 出口内径 |
| SC-1400 | 1.3[mm] | 79 | 42/37 | ≈0.95[L] | 9.52[mm] | 9.52[mm] |
| 0.05[in] | ≈58.09[in3] | 3/8[in] | 3/8[in] |
边板安装
铝制微通道换热器在高温下存在热胀冷缩现象,支架安装等必须允许一定的公差范围。
技术参数
| 风速 | 换热性能 [KW/Btu/h×1000] | ||||||||
| [m/s] | [ft/min] | R410A | R134a | ||||||
| △ =10K △ =18°F |
△ =15K △ =27°F |
△ =2K △ =36°F |
△ =25K △ =45°F |
△ =10K △ =18°F |
△ =15K △ =27°F |
△ =2K △ =36°F |
△ =25K △ =45°F |
||
| 1 | 197 | 5.8/19.8 | 8.8/30.0 | 11.7/39.9 | 14.8/50.5 | 5.6/19.1 | 8.4/28.7 | 11.2/38.2 | 14.0/47.8 |
| 1.5 | 295 | 8.0/27.3 | 12.2/41.6 | 16.6/56.7 | 20.8/71.0 | 7.6/25.9 | 11.6/39.6 | 15.4/52.6 | 19.2/65.5 |
| 2 | 394 | 9.9/33.8 | 15.2/51.9 | 20.9/71.3 | 26.1/89.1 | 9.4/32.1 | 14.3/48.8 | 19.1/65.2 | 24.3/82.9 |
| 2.5 | 492 | 11.7/39.9 | 18.4/62.8 | 24.7/84.3 | 31.0/105.8 | 10.8/36.9 | 16.6/56.7 | 22.3/76.1 | 28.4/96.9 |
| 3 | 591 | 13.2/45.1 | 21.0/71.7 | 28.3/96.6 | 35.3/120.5 | 12.2/41.6 | 18.7/63.8 | 25.9/88.4 | 32.1/109.6 |
| 风速 | 换热性能 [KW/Btu/h×1000] | ||||||||
| [m/s] | [ft/min] | R404A | R407C | ||||||
| △ =10K △ =18°F |
△ =15K △ =27°F |
△ =2K △ =36°F |
△ =25K △ =45°F |
△ =10K △ =18°F |
△ =15K △ =27°F |
△ =2K △ =36°F |
△ =25K △ =45°F |
||
| 1 | 197 | 5.8/19.8 | 8.7/29.7 | 11.8/40.3 | 15.0/51.3 | 3.8/13.0 | 7.0/23.9 | 10.1/34.5 | 13.0/44.4 |
| 1.5 | 295 | 7.9/27.0 | 11.9/40.6 | 16.5/56.3 | 21.0/71.8 | 5.2/17.7 | 9.8/33.4 | 13.9/47.4 | 18.1/62.8 |
| 2 | 394 | 9.7/33.1 | 15.5/52.9 | 20.6/70.3 | 25.7/87.7 | 6.3/21.5 | 12.0/41.0 | 17.3/59.0 | 23.0/78.5 |
| 2.5 | 492 | 11.3/38.6 | 18.2/62.1 | 23.9/81.4 | 30.4/103.8 | 7.3/24.9 | 14.1/48.1 | 20.9/71.3 | 27.1/92.5 |
| 3 | 591 | 12.6/43.0 | 20.7/70.6 | 27.7/94.5 | 35.2/120.1 | 8.2/28.0 | 15.9/54.3 | 23.7/80.9 | 30.8/105.1 |
空气侧压降数据
| 风速 | 压降 | 风量 | |||
| [m/s] | [ft/min] | [Pa] |
[inch H2O] | [m3/h] |
[cfm] |
| 1 | 197 | 9.31 |
0.04 | 2107.90 |
1239.9 |
| 1.5 | 295 | 14.66 |
0.06 | 3161.94 |
1860.0 |
| 2 | 394 | 22.32 |
0.09 | 4215.93 |
2480.0 |
| 2.5 | 492 | 29.79 |
0.12 | 5269.91 |
3099.9 |
| 3 | 591 | 35.73 |
0.14 | 6323.89 |
3719.9 |


中文简体


查看更多>>
查看更多>>
查看更多>>
查看更多>>
查看更多>>
查看更多>>
查看更多>>
查看更多>>
查看更多>>
查看更多>>
查看更多>>





