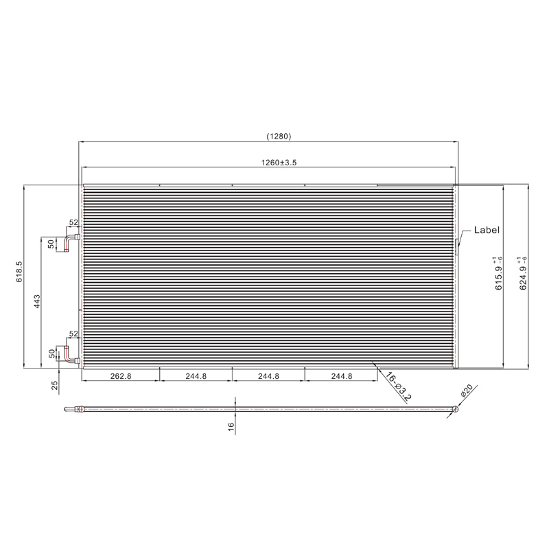
| 型号 | 芯体长度 | 芯体高度 | 扁管厚度 | 翅片片距 | 翅片高度 | 集流管外径 |
| SC-1600 | 1280[mm] | 618.5[mm] | 16[mm] | 1.1[mm] | 8[mm] | 20[mm] |
| 50.39[in] | 24.35[in] | 0.63[in] | 23[FPI] | 0.32[in] | 0.79[in] |
| 型号 | 扁管高度 | 扁管数量 | 回路 | 内部容积 | 进口内径 | 出口内径 |
| SC-1600 | 1.7[mm] | 61 | 42/19 | ≈1.24[L] | 12.7[mm] | 12.7[mm] |
| 0.066[in] | ≈75.64[in3] | 1/2[in] | 1/2[in] |
边板安装
铝制微通道换热器在高温下存在热胀冷缩现象,支架安装等必须允许一定的公差范围。
性能参数
| 风速 | 换热性能 [KW/Btu/h×1000] | ||||||||
| [m/s] | [ft/min] | R410A | R134a | ||||||
| △ =10K △ =18°F |
△ =15K △ =27°F |
△ =2K △ =36°F |
△ =25K △ =45°F |
△ =10K △ =18°F |
△ =15K △ =27°F |
△ =2K △ =36°F |
△ =25K △ =45°F |
||
| 1 | 197 | 7.3/24.9 | 11.9/40.6 | 16.1/54.9 | 20.4/69.6 | 7.4/25.3 | 11.3/38.6 | 15.2/51.9 | 19.4/66.2 |
| 1.5 | 295 | 10.1/34.5 | 16.6/56.7 | 22.6/77.1 | 28.5/97.3 | 10.1/34.5 | 15.5/52.9 | 21.4/73.0 | 26.9/91.8 |
| 2 | 394 | 12.9/44.0 | 20.8/71.0 | 28.2/96.2 | 35.7/121.8 | 12.4/42.3 | 19.6/66.9 | 26.6/90.8 | 33.4/114.0 |
| 2.5 | 492 | 15.3/52.2 | 25.6/87.4 | 33.3/113.7 | 42.3/144.4 | 14.4/49.1 | 23.0/78.5 | 31.2/106.5 | 39.1/133.4 |
| 3 | 591 | 17.4/59.4 | 28.0/95.6 | 38.1/130.0 | 48.2/164.5 | 16.2/55.3 | 26.1/89.1 | 35.1/119.8 | 44.3/151.2 |
| 风速 | 换热性能 [KW/Btu/h×1000] | ||||||||
| [m/s] | [ft/min] | R404A | R407C | ||||||
| △ =10K △ =18°F |
△ =15K △ =27°F |
△ =2K △ =36°F |
△ =25K △ =45°F |
△ =10K △ =18°F |
△ =15K △ =27°F |
△ =2K △ =36°F |
△ =25K △ =45°F |
||
| 1 | 197 | 7.5/25.6 | 12.0/41.0 | 16.2/55.3 | 20.40/69.6 | 5.0/17.1 | 9.5/32.4 | 13.8/47.1 | 18.1/61.8 |
| 1.5 | 295 | 10.7/36.5 | 16.7/57.0 | 22.5/76.8 | 28.50/97.3 | 6.8/23.2 | 13.0/44.4 | 19.3/65.9 | 25.3/86.3 |
| 2 | 394 | 13.4/45.7 | 20.7/70.6 | 28.1/95.9 | 35.60/121.5 | 8.3/28.3 | 16.6/56.7 | 24.1/82.3 | 31.5/107.5 |
| 2.5 | 492 | 15.7/53.6 | 24.4/83.3 | 35.60/121.5 | 42.00/143.3 | 9.6/32.8 | 19.5/66.6 | 28.4/96.9 | 37.1/126.6 |
| 3 | 591 | 17.9/61.1 | 27.7/94.5 | 37.7/128.7 | 47.70/162.8 | 10.7/36.5 | 22.2/75.8 | 32.2/109.9 | 42.3/144.4 |
空气侧压降数据
| 风速 | 压降 | 风量 | |||
| [m/s] | [ft/min] | [Pa] |
[inch H2O] | [m3/h] |
[cfm] |
| 1 | 197 | 11.7 |
0.05 | 2748.4 |
1617.7 |
| 1.5 | 295 | 18.4 |
0.07 | 4122.5 |
2426.4 |
| 2 | 394 | 27.8 |
0.11 | 5496.7 |
3235.3 |
| 2.5 | 492 | 35.1 |
0.14 | 6870.9 |
4044.1 |
| 3 | 591 | 41.3 |
0.17 | 8245.1 |
4852.9 |


中文简体


查看更多>>
查看更多>>
查看更多>>
查看更多>>
查看更多>>
查看更多>>
查看更多>>
查看更多>>
查看更多>>
查看更多>>
查看更多>>





